ELÉTRICA VW 2025

TENHA ACESSO AO MATERIAL
MAIS COMPLETO SOBRE ELÉTRICA DOS VW QUADRADOS DA INTERNET!

Poster Produto
  • Diagramas elétricos Originais VW
  • Esquemas ilustrativos
  • Diagramas injeção Eletrônica Gol GTI
  • Testes e diagnósticos de injeção
  • Montagem elétrica passo a passo
  • e muitos mais...

*OFERTA POR TEMPO LIMITADO!

ELÉTRICA AUTOMOTIVA É FÁCIL! DESDE QUE, VOCÊ TENHA A INFORMAÇÃO CERTA PARA TE GUIAR NOS SEUS REPAROS!

Imagem Esquema Ilustrativo

VEJA TUDO QUE VOCÊ TERÁ ACESSO:

*Todos os arquivos, documentos, diagramas são correspondentes a elétrica dos Volkswagens (VWs) QUADRADOS, ou seja Geração 1 – Gol, Voyage, Parati e Saveiro

Diagramas Eletricos Completos

DIAGRAMAS ELÉTRICOS COMPLETOS

  • Diagramas originais VW
  • Coloridos
  • Com indicação dos fios, fusíveis e relês
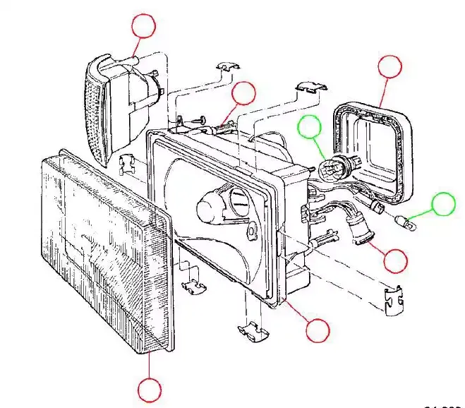
Esquemas Ilustrativos

ESQUEMAS
ILUSTRATIVOS

  • Visão explodida dos principais itens de elétrica
Montagem Eletrica

MONTAGEM
ELÉTRICA

  • Passo a passo da montagem completa do chicote elétrico
  • Com imagens coloridas reais
  • Além de desenhos ilustrativos para facilitar o entendimento
Diagrama Injeção Eletrônica Gol GTI

DIAGRAMA INJEÇÃO ELETRÔNICA GOL GTI

  • Diagramas originais VW
  • Ilustrados
Testes e Diagnosticos da Injeção

DIAGNÓSTICOS
INJEÇÃO

  • Descubra como resolver os principais problemas da injeção eletrônica dos GTIs
Caixa Fusivel

CAIXA
FUSÍVEL

  • Imagens das diferentes caixas de fusíveis da linha VW
Caixa Fusivel

ARQUIVOS PRONTOS PARA IMPRESSÃO

  • Todos os arquivos disponibilizados são prontos para impressão para facilitar o uso durante suas manutenções!
Acesso Vitalicio

ACESSO
VITALÍCIO

  • Tenha acesso a todo o material para SEMPRE!
Acesso Ilimitado

ACESSO
ILIMITADO

  • Tenha acesso ao material quando e onde quiser!

BÔNUS

  • Manual ORIGINAL Gol GTS
  • Imagem Manual Original Gol GTS
  • Manual Reparação Elétrica Gol GTS
  • Imagem Manual Reparação Elétrica Gol GTS
  • Passo a passo instalação retrovisor elétrico
  • Imagem Passo a passo instalação retrovisor elétrico
  • Instalação de Relê de Farol
  • Imagem Instalação de Relê de Farol

NÃO PERCA TEMPO E DINHEIRO! ARRUME SEU VW EM CASA!

Veja o que diz quem já garantiu acesso a este material...

/public/imagens/eletrica-vw/estao-falando-1.jpg
/public/imagens/eletrica-vw/estao-falando-2.jpg
/public/imagens/eletrica-vw/estao-falando-3.jpg
/public/imagens/eletrica-vw/estao-falando-4.jpg
/public/imagens/eletrica-vw/estao-falando-5.jpg

ÚLTIMAS UNIDADES COM VALOR PROMOCIONAL!

ESCOLHA A MELHOR OPÇÃO PARA VOCÊ:


Imagem Material Completo De R$ 197 por apenas:

R$ 86 90
ou 12X de R$ 9,52

DIAGRAMAS COMPLETOS

ESQUEMAS ILUSTRATIVOS

DIAGRAMAS INJEÇÃO ELETRÔNICA GOL GTI

TESTES E DIAGNÓSTICOS INJEÇÃO GOL GTI

MANUAL PASSO A PASSO MONTAGEM

CAIXA DE FÚSIVEL

ACESSO VITALÍCIO

TUTORIAL INSTALAÇÃO RETROVISOR ELÉTRICO

MANUAL ORIGINAL GOL GTS

INSTALAÇÃO RELÉ DE FAROL

GARANTIA 7 DIAS

Garantia de 7 dias
MELHOR OFERTA

SOMENTE DIAGRAMAS Imagem Somente Diagramas por apenas:

R$ 57 00
ou 8X de R$ 8,64

DIAGRAMAS COMPLETOS

ACESSO VITALÍCIO

GARANTIA 7 DIAS

Garantia de 7 dias

NÃO TENHA DÚVIDAS

O material que você vai receber acesso conta com a mais completa documentação sobre a elétrica dos VW quadrados (geração 1), contando com: diagramas, esquemas elétricos, passo a passo de montagem/manutenção além de diversos bônus para auxiliar você!

O acesso é liberado imediatamente após a confirmação do pagamento!

Você receberá um login e senha para acesso a plataforma da Hotmart. Lá você terá acesso á TODOS os documentos para download direto no seu dispositivo. A maioria dos documentos estão no formato PDF, portando é necessário ter um leitor de PDF no seu dispositivo.

O acesso é vitalício, ou seja, pra sempre!

GARANTIA DE 7 DIAS


Selo de Garantia

FIQUE SATISFEITO OU EU DEVOLVO SEU DINHEIRO!!

Se, em qualquer momento dos próximos 7 dias, você não tiver nenhum resultado ou se você não estiver satisfeito, por qualquer motivo, apenas me avise que eu vou devolver TODO o seu dinheiro, sem nenhuma pergunta. Eu criei essa garantia, porque sei que os materiais que você terá acesso vão te ajudar e te ensinar tudo que você precisa saber! Estou te dando todas as garantias que eu posso, agora só falta você clicar no botão aqui embaixo para ter acesso aos materiais!